Texas Instruments INA187-Q1 Current Sense Amplifier
The Texas Instruments INA187-Q1 current sense amplifier is an AEC-Q100 qualified device that operates from -2V to 42V. This series of current sense amplifiers have a bidirectional 650kHz high-precision high and small signal bandwidth. The INA187-Q1 amplifier measures voltage drop on shunt resistors over a wide common-mode range independently of the supply voltage. The amplifiers are powered from a single voltage supply of 2.7V to 12V and consume 650μA of supply current. The INA187-Q1 amplifier is available in three gain options: 20V/V, 50V/V, and 100V/V. These amplifiers are rated for an operating temperature range of -40°C to 125°C and are available in a 6-pin SOT-23 package. The INA187-Q1 device is AEC-Q100 qualified for automotive applications. The INA187-Q1 amplifier is ideal for use in DC/DC converters, battery management systems (BMS), fuel cell control units, and smart junction boxes.
characteristic
- AEC-Q100 compliant for automotive applications, TATemperature class 1 is -40°C to 125°C
- Provide functional safety documentation to help design functional safety systems.
- Wide common mode voltage:
- Operating voltage range: -2V to 42V
- Withstand voltage range: -12V to 48V
- Works in both directions
- High and small signal bandwidth: 650kHz (20V/V gain)
- Conversion speed: 2.5V/μs
- Step response settling time of 1%: 6.5μs
- High CMRR: 120 dB
- Drift Gain Error: ±0.25%, ±10ppm/°C (max)
- Drift offset voltage: ±150μV, ±0.5μV/°C (max)
- Operating supply voltage range: 2.7V to 12V
- Operating current: 650μA
- Available buffs:
- INA187A1-Q1: 20V/V
- INA187A2-Q1: 50V/V
- INA187A3-Q1:100V/V
- Package Options: SOT23-6 (DBV)
apply
- DC/DC converter
- Battery Management System (BMS)
- Fuel cell control unit
- Smart junction box
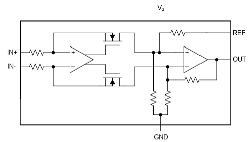
Block diagram

Typical applications:

Disclaimer:The materials on this website are collected and sorted from the Internet. The copyright of the works belongs to the author. If it infringes your copyright, please send an email to us


